- 樹脂などの正面フライス加工で鏡面切削が可能
- 粗~仕上げ用ブレードを各種ラインナップ
- デモ機の貸出可能
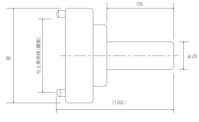
カッターボディ+アーバー
|
品番 |
型式品名 |
径 |
仕上有効径 |
在庫 |
|
15400 |
N-FM080 |
Φ80 |
Φ73 |
● |
|
15401 |
N-FM100 |
Φ100 |
Φ93 |
● |
|
15402 |
N-FM125 |
Φ125 |
Φ118 |
● |
※その他 希望形状がありましたらご対応させていただきます。 納期:約25~30日間
ブレード
|
品番 |
型式品名 |
仕様 |
用途 |
在庫 |
|
15422 |
N-FM-MCD |
単結晶 |
仕上刃 |
● |
|
15420 |
N-FM-PCD |
PCD |
粗刃 |
● |
|
15421 |
N-FM-WC |
超硬 |
粗刃 |
● |
|
被削材 |
Vc
切削速度 |
ap(mm)
切込み量 |
クーラント |
|
銀 |
50~300 |
0.005~0.05 |
切削油 |
|
アルミニウム |
100~2,500 |
0.005~0.05 |
エマルジョン |
|
マグネシウム |
100~2,500 |
0.005~0.05 |
エマルジョン |
|
金 |
50~300 |
0.005~0.05 |
切削油 |
|
銅 |
50~500 |
0.005~0.04 |
切削油 |
|
PC |
50~200 |
0.01~0.1 |
エマルジョン/エア |
|
PE |
80~350 |
0.01~0.1 |
エマルジョン |
|
PEEK |
60~250 |
0.01~0.1 |
エマルジョン |
|
PMMA |
80~300 |
0.01~0.1 |
エマルジョン/エア |
|
POM |
80~350 |
0.01~0.1 |
エマルジョン |
|
PTFE |
70~300 |
0.01~0.1 |
エマルジョン |
|
PVC |
60~250 |
0.01~0.1 |
エマルジョン |